- 質量穩定:實行全過程質量監控,細致入微,全方位檢測!
 - 價格合理:高效內部成本控制,減少了開支,讓利于客戶!
 - 交貨快捷:先進生產流水線,充足的備貨,縮短了交貨期!
 
- 銷售:021-66059666
 - 傳真:021-39901228
 - 技術:021-39900466
 
產品說明
XF5900B 型球式防腐偏心旋塞閥:吸收了國內外偏心旋塞閥的多項優點,其外形美觀,啟閉靈活,維修方便,密封性能好,流通面積大,流阻;焊接 Ni 密封閥座,提供了可靠的防腐蝕和耐磨性能?稍趷毫拥乃|和油品中使用。采用了偏心結構,閥門啟閉時,球瓣從密封座脫開,沒有摩擦和磨損,因而啟閉力矩小,啟閉靈活。由于偏心運動,閥門具有關閉嚴密的密封功能和密封副磨損補償性,大大提高了密封的可靠性和使用壽命。
該系列球式防腐偏心旋塞閥通徑為 DN100~DN600,工作壓力為 0.6MPa~1.6MPa,具有手動、電動、氣動、液動等各種驅動形式。偏心旋塞閥用于泵前和污水比其它閥門具有獨到之處。
產品特點:①偏心旋塞閥雙偏心設計、低摩擦開啟和關閉,確保零泄露。②含鎳(Ni)90%,3mm 厚的堆焊閥座,或高性能樹脂閥座,能滿足多種的耐腐蝕要求。③V 型組合密封圈,可在不卸下操作裝置的情況下進行更換。④密封膠加注口設計,可延長閥門適用周期。⑤閥軸承為自潤滑材料,無需加潤滑脂,對閥軸磨損很小。⑥旋塞體模壓熱包膠,無橡膠脫落和沖刷腐蝕的擔憂。⑦閥蓋和閥體用 O 型圈密封,螺栓數量減少,方便維修。⑧提供閥門進出口壓力表接頭,方便用戶控制和測定流量。
產品性能參數
| 型號 | PN | 工作壓力/MPa | 試驗壓力/MPa | 適用溫度/℃ | 適用介質 | |
|---|---|---|---|---|---|---|
| 強度試驗 | 密封試驗 | |||||
| XF5900B-10 | 10 | 1.0 | 1.5 | 1.1 | ≤80 | 清水、污水、油品 | 
| XF5900B-16 | 16 | 1.6 | 2.4 | 1.76 | ||
返回頁首 ⇑
產品零部件材料
| 型號 | 材料 | ||||||
|---|---|---|---|---|---|---|---|
| 閥體 | 柱塞 | 球瓣 | 上端蓋 | 下端蓋 | 閥體密封座 | 球瓣密封面 | |
| XF5900B-10 | HT200 QT500-7  | 
            QT600-3 | QT500-7 | HT200 | HT200 | 焊 Ni | 丁腈橡膠 陶瓷R-金屬  | 
        
| XF5900B-16 | |||||||
返回頁首 ⇑
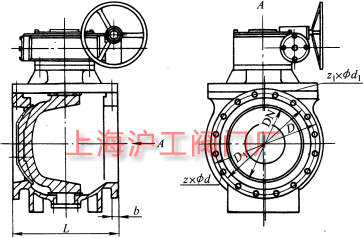
產品外形及結構尺寸
| DN | D | D1 | b | z×Φd | z1×Φd1 | L | 
|---|---|---|---|---|---|---|
| 100 | 220 | 180 | 24 | 6×Φ17.5 | 2×Φ16 | 230 | 
| 150 | 285 | 240 | 26 | 6×Φ22 | 2×Φ20 | 310 | 
| 200 | 340 | 295 | 28 | 6×Φ22 | 2×Φ20 | 370 | 
| 250 | 395 | 350 | 28 | 8×Φ22 | 2×Φ20 | 410 | 
| 300 | 445 | 400 | 28 | 10×Φ22 | 4×Φ20 | 420 | 
| 350 | 505 | 460 | 30 | 12×Φ22 | 4×Φ20 | 520 | 
| 400 | 565 | 515 | 32 | 12×Φ26 | 4×Φ24 | 540 | 
| 450 | 615 | 565 | 32 | 16×Φ26 | 4×Φ24 | 640 | 
| 500 | 670 | 620 | 34 | 16×Φ26 | 4×Φ24 | 700 | 
| 600 | 780 | 725 | 36 | 16×Φ30 | 4×Φ27 | 830 | 
返回頁首 ⇑
| DN | D | D1 | b | z×Φd | z1×Φd1 | L | 
|---|---|---|---|---|---|---|
| 100 | 220 | 180 | 24 | 6×Φ17.5 | 2×Φ16 | 230 | 
| 150 | 285 | 240 | 26 | 6×Φ22 | 2×Φ20 | 310 | 
| 200 | 340 | 295 | 30 | 10×Φ22 | 2×Φ20 | 370 | 
| 250 | 405 | 355 | 32 | 10×Φ26 | 2×Φ24 | 410 | 
| 300 | 460 | 410 | 32 | 8×Φ26 | 4×Φ24 | 420 | 
| 350 | 520 | 470 | 36 | 12×Φ26 | 4×Φ24 | 520 | 
| 400 | 580 | 525 | 38 | 12×Φ30 | 4×Φ27 | 540 | 
| 450 | 640 | 585 | 40 | 16×Φ30 | 4×Φ27 | 640 | 
| 500 | 715 | 650 | 42 | 16×Φ33 | 4×Φ30 | 700 | 
| 600 | 840 | 770 | 48 | 16×Φ36 | 4×Φ33 | 830 | 
返回頁首 ⇑
產品外形及結構尺寸示意圖

返回頁首 ⇑
聲明:本文中所有文字、數據、圖片均只適用于參考,球式防腐偏心旋塞閥性能參數、結構尺寸參數、價格等詳情,請聯系我們,電話:021-66059666。